logo
> 상품 > 가속도계 센서 >
진동 기울기 측정을 위한 고정도 군사용 관성 항법 가속기

진동 기울기 측정을 위한 고정도 군사용 관성 항법 가속기

군사용 관성 항법 가속기

고정밀성 관성 항법 가속기

진동 측정 쿼츠 가속기

원래 장소:

중국 (본토)

브랜드 이름:

Kacise

인증:

certificate of explosion-proof, CE

모델 번호:

KSJB1

저희와 연락
인용 을 요청 하십시오
제품 세부 정보
범위:
±50g
임계치:
5μg
오차 값 K0/K1:
≤±3mg
강조하다:

군사용 관성 항법 가속기

,

고정밀성 관성 항법 가속기

,

진동 측정 쿼츠 가속기

지불 및 배송 조건
최소 주문 수량
1pcs
포장 세부 사항
각 장치에는 개별 상자가 있으며 모든 상자는 표준 패키지 또는 고객 요청에 따라 포장됩니다.
배달 시간
5-8 일로 일합니다
지불 조건
전신환, 웨스턴 유니온, 머니그램
공급 능력
1주일에 1000개 부분
제품 설명

고정밀 군사적 관성 항법급 가속기

KSJB1 시리즈 쿼츠 유연 가속도계는 고 정밀 군사 관성 항법 등급 가속도계입니다. 제품은 우수한 장기 안정성, 반복성, 시작 성능,환경 적응력 및 높은 신뢰성그것은 정적 테스트와 동적 테스트를 위해 사용될 수 있으며 또한 표준 진동 센서와 기울기 센서입니다.

 

제품의 출력 전류는 힘 또는 가속과 선형이며 사용자는 높은 정밀 출력을 달성하기 위해 계산을 통해 적절한 샘플링 저항을 선택할 수 있습니다.그리고 사용자 요구 사항에 따라 온도 센서 내장 될 수 있습니다, 부분 값과 규모 인자를 보상하는 데 사용되는, 환경 온도의 영향을 줄입니다.

 

응용 프로그램: 항공, 항공, 선박, 무기 및 기타 분야에서 고 정밀 인어셜 내비게이션 시스템의 관성 측정 및 진동 격리 테스트.

진동 기울기 측정을 위한 고정도 군사용 관성 항법 가속기 0

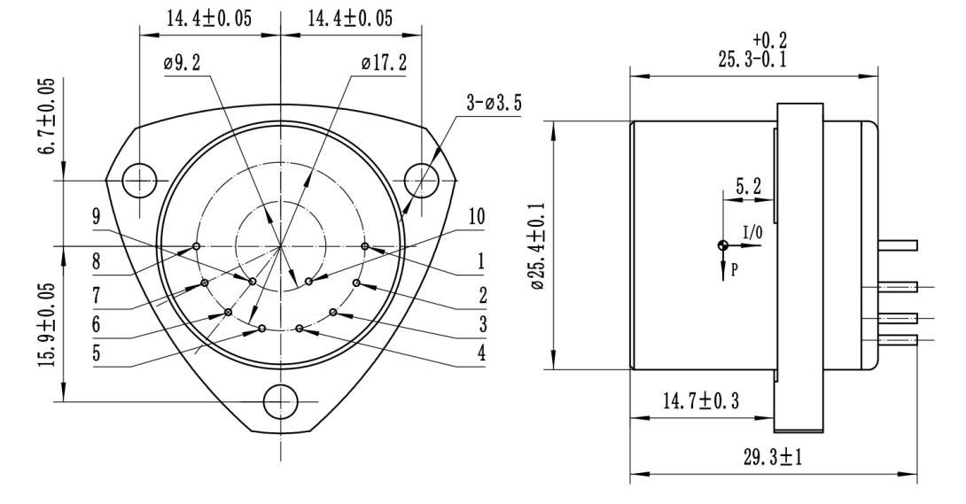
도표와 핀 정의:

진동 기울기 측정을 위한 고정도 군사용 관성 항법 가속기 1

그림 I: 우주 가속도 측정기

 

핀의 일반적인 정의: 1, 신호 출력; 2. 빈; 3, -15V; 4, +15V; 5, 전원 공급 및 신호 지상; 6. 빈; 7. 빈; 8. 빈; 9, -9V 출력; 10, +9V 출력.

진동 기울기 측정을 위한 고정도 군사용 관성 항법 가속기 2

장착 구멍은 U 모양입니다.

진동 기울기 측정을 위한 고정도 군사용 관성 항법 가속기 3

장착 구멍은 U 모양이고 핀은 8 핀입니다

진동 기울기 측정을 위한 고정도 군사용 관성 항법 가속기 4

바깥 차원은 정사각형입니다.

 

 

기술 매개 변수:

번호 매개 변수 KSJB1-01 KSJB1-02 KSJB1-03
1 적용 범위 ±50g ±50g ±50g
2 임계 값 5μg 5μg 5μg
3 오차값 K0/K1 ≤±3mg ≤±3mg ≤±5mg
4 스케일 인수 K1 10.05~1.30mA/g 10.05~1.30mA/g 10.05~1.30mA/g
5 2차 비선형 계수 K2 ≤±10μg/g2 ≤±15μg/g2 ≤±20μg/g2
6 0g 4시간 단기 안정성 ≤ 10μg ≤ 10μg ≤15μg
7 1g 4시간 단기 안정성 ≤ 10ppm ≤ 10ppm ≤15ppm
8 오차 값 합성 반복성 σK0(1σ, 한 달) ≤ 10μg ≤ 20 μg ≤ 30μg
9 스케일 요인 통합 반복성 σK1/K1(1σ, 한 달) ≤15ppm ≤ 30ppm ≤50ppm
10 비선형 계수 K의 포괄적 반복성2/K1(1σ, 한 달) ≤±10 μg/g2 ≤±20 μg/g2 ≤±30μg/g2
11 오차 값 온도 계수 ((온도 영역 전체의 평균 값) ≤±10 μg /°C ≤±30μg /°C ≤±50μg/°C
12 스케일 요인 온도 계수 (온도 영역 전체의 평균 값) ≤±10ppm /°C ≤±30ppm /°C ≤±50ppm /°C
13 소음 ( 샘플링 저항은 840Ω) ≤5mv ≤8.4mv ≤8.4mv
14 자연 빈도 400~800 Hz 400~800 Hz 400~800 Hz
15 대역폭 800~2500 Hz 800~2500 Hz 800~2500 Hz
16 무작위 진동 6g ((20-2000Hz) 6g ((20-2000Hz) 6g ((20-2000Hz)
17 파업 100g,8ms,1/2sin 100g,8ms,1/2sin 100g,8ms,1/2sin
18 작동 온도 범위 -55~+85°C -55~+85°C -55~+85°C
19 저장 온도 범위 -60~+120°C -60~+120°C -60~+120°C
20 전원 공급 ±12~±15V ±12~±15V ±12~±15V
21 현재 소비 ≤±20mA ≤±20mA ≤±20mA
22 온도 센서 사용자 사용자 지정 사용자 사용자 지정 사용자 사용자 지정
23 차원 F25.4X30mm F25.4X30mm F25.4X30mm
24 무게 ≤ 80g ≤ 80g ≤ 80g

참고:

 

1. 스케일 요인은 사용자 요구 사항에 따라 조정됩니다;

 

2온도 센서: AD590, pt1000, 18B20로 나뉘어

 

3테스트 사이클: 테스트에 대한 사용자 요구에 따라 1개월, 3개월, 6개월, 12개월로 나눌 수 있습니다.

 

4사용자 설치 요구 사항에 따라, 크기는 사용자 요구 사항에 따라 약간 조정 될 수 있습니다,다른 시험 요구 사항은 고객의 요구 사항에 따라 수행 할 수 있습니다..

문의사항을 직접 저희에게 보내세요

개인정보 보호 정책 중국 좋은 품질 액체 수준 측정기 공급자. 저작권 2018-2025 Xi'an Kacise Optronics Co.,Ltd. 모든 권리는 보호됩니다.